Svaris wurde von Menschen aus der Praxis entwickelt, die wissen, worauf es ankommt. Unsere 2D-CAD-Software erleichtert die Visualisierung von Ideen
und die Erstellung überzeugender Konzepte.
Weniger Komplexität, mehr Klarheit,
damit Sie sich auf das Wesentliche
konzentrieren können: Ihre Planung.

Sie suchen ein Werkzeug, mit dem sich Planungs- und Abstimmungsphasen einfacher und effizienter gestalten lassen.
Sie suchen ein vollwertiges CAD- oder BIM-System für die Ausführungsplanung – dafür ist Svaris nicht gedacht.
Starten Sie Ihre Projekte ohne leeres Blatt.
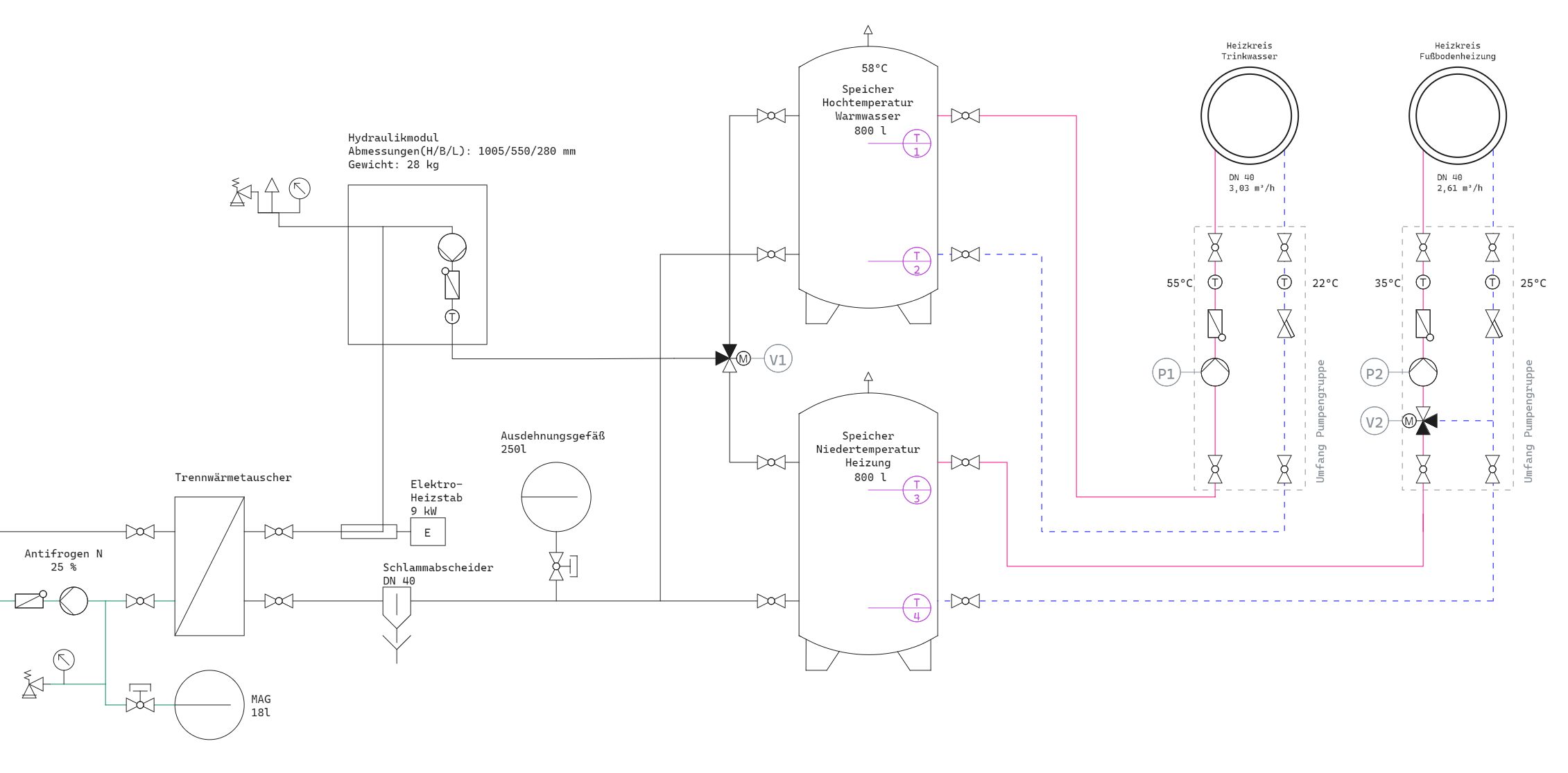
Komplexe Zusammenhänge einfach darstellen.
Alle Informationen visuell an einem Ort.
Planen Sie mit exakten Maßen, wo es darauf ankommt.
Sparen Sie wertvolle Zeit mit der integrierten Bauteil- und Layer-Bibliothek.
Erfahren Sie, wie Svaris Ihnen bei der effizienten und
sauberen Erstellung von Konzepten helfen kann.